



IEC 60601-1-Figure 34 Spark Ignition Test Apparatus
IEC 60601-1 Spark Ignition Tester assesses fire risks in oxygen-rich medical environments, ensuring critical safety compliance.
MOQ: 1
Price: To be quoted
Standard Packaging: safety carton pack or plywood box
Payment Method: T/T
Detail Information
| Place of Origin | China | Brand Name | Kingpo |
| Certification | Iso9001 Ce | Model Number | IEC 60601-1-Figure 34 |
| Standard: | IEC 60601-1-Figure 34 | Pin Diameter: | 3mm And 1mm |
| Oxygen Speed: | 0.5 M/s | Times: | 300 Min |
| Highlight: | IEC 60601-1-Figure 34, 3mm Pin Spark Ignition Test Apparatus, 1mm Pin Spark Ignition Test Apparatus | ||
Product Description
In ME EQUIPMENT and ME SYSTEMS , the RISK of fire in an OXYGEN RICH ENVIRONMENT shall be reduced as far as possible under NORMAL CONDITION or SINGLE FAULT CONDITIONS (as identified in 11 .2.3). An unacceptable RISK of fire is considered to exist in an OXYGEN RICH ENVIRONMENT when a source of ignition is in contact with ignitable material and there is no means that would limit the spread of a fire.
NOTE 1 For oxygen concentrations up to 25 % at one atmosphere or partial pressures up to 27,5 kPa for higher atmospheric pressures, the requirements in 1 3.1 .1 are considered to be sufficient.
a) A source of ignition is considered to exist in an OXYGEN RICH ENVIRONMENT when any of the following conditions exist in NORMAL CONDITION and SINGLE FAULT CONDITIONS (including voltage and current):
1 ) the temperature of the material is raised to its ignition temperature;
2) temperatures could affect solder or solder joints causing loosening, short circuiting or other failures that could result in sparking or raising the temperature of the material to its ignition temperature;
3) parts affecting safety crack or change their outer shape exposing temperatures exceeding 300 °C or sparks (see 4) and 5) below) due to overheating;
4) temperatures of parts or components could exceed 300 °C;
5) sparks provide adequate energy for ignition by exceeding the limits of Figure 35 to Figure 37 (inclusive).
Items 4) and 5) address the worst case where the atmosphere is 1 00 % oxygen, the contact material (for item 5) is solder and the fuel is cotton. Available fuels and oxygen concentrations should be taken into consideration when applying these specific requirements. Where deviations from these worst case limits are made (based on lower oxygen concentrations or less flammable fuels) they shall be justified and documented in
the RISK MANAGEMENT FILE .
As an alternative to 11.2.2.1 a) 5), the following test may be used to determine whether a source of ignition exists.
First, the place(s) within the ME EQUIPMENT where sparking might cause ignition are identified. Then the material(s) of the parts between which sparks can occur is identified.
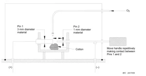
Samples of the same material are then used to construct the contact pins for the test apparatus (see Figure 34).
Other parameters for the test are: oxygen concentration, fuel, electrical parameters (current, voltage, capacitance, inductance or resistance). These parameters are chosen such that they represent the worst case for the ME EQUIPMENT
Two contact pins made of the material to be considered are placed in opposition (see Figure 34). One pin has a diameter of 1 mm, the other of 3 mm. The electrical source is connected to the pins as shown in Figure 35 to Figure 37. A piece of cotton is placed close to the contact surfaces of the two pins. The contacts are constantly flushed by oxygen with a speed of less than 0,5 m/s via a tube. The cathode is moved to the anode to close the contacts and pulled back to open them again. A minimum of 300 trials has to be performed before it can be decided that the sparks do not ignite. If the sparks get smaller because of bad surfaces of the electrodes, the electrodes are cleaned with a file. If the cotton gets
black because it became oxidized then it is replaced. In Figure 36 and Figure 37, the resistance used to control current flowing into the inductor and the time constant for charging the capacitor is chosen such that it has minimal impact on the energy of the spark. This is tested by visual inspection without the capacitor in place or with the inductor shorted.
The situation with the highest voltage or current respectively and no ignition defines the upper limit. A safe upper limit is given by dividing the upper limit of voltage or current respectively with the safety margin factor of three.

Figure 34 – Spark ignition test apparatus

Figure 35 – Maximum allowable current I as a function of the maximum allowable voltage U measured in a purely resistive circuit in an OXYGEN RICH ENVIRONMENT

Figure 36 – Maximum allowable voltage U as a function of the capacitance C measured in a capacitive circuit used in an OXYGEN RICH ENVIRONMENT

Figure 37 – Maximum allowable current I as a function of the inductance L measured in an inductive circuit in an OXYGEN RICH ENVIRONMENT
TESTING AND MEASURING EQUIPMENT/ALLOWED SUBCONTRACTING
IEC 60601-1:2005 + Am.1:2012
Medical electrical equipment – Part 1: General requirements for basic safety and essential performance
“R” Required
“S” May be subcontracted, see OD 2012
“SPTL” Specialized Facility, see IECEE 02-2
“W” Witness testing in the categories “MED” and “MEAS”
“3PPS” Three Phase Power Supply required
| Clause | Measurement/testing | Testing / measuring equipment / material needed | Subcontracting |
| 4.11 | Power input | Suitable devices for the voltage, current/power and frequency
Supply: 1 phase and 3 phase variacs
|
R |
| 5.3 | Ambient temperature, humidity, atmospheric pressure | Suitable devices for recording ambient temperature, humidity, atmospheric pressure
|
R |
| 5.7 | Humidity preconditioning treatment | Environmental conditions: Climate chamber controlling temperature and humidity
|
R |
| 5.9.2 | Accessible parts | Force gauge (30 N), standard test finger (figure 6), straight unjointed test finger, test hook (figure 7)
|
R |
| 7.1.2 | Legibility of markings | Illuminance meter
|
R |
| 7.1.3 | Durability of markings | Distilled water, ethanol (96% pure), isopropyl alcohol , timer / stop watch
|
R |
| 8.4.2 | Accessible parts including applied parts | Oscilloscope, oscilloscope leads, suitable instruments for measuring voltage, current, capacitance, test pin (Figure 8), metal test rod (D = 4 mm, L = 100 mm), force gauge (10 N)
|
R |
| 8.4.3,
8.4.4 |
Limitations voltage and energy | Suitable oscilloscope recorder /set-up & RCL meter | R |
| 8.5.5.1 | Defibrillation protection | 5 kV test circuit & oscilloscope interface circuit according to Figures 9 & 10, oscilloscope
|
S |
| 8.5.5.2 | Energy reduction test | The test circuit according to Figure 11, oscilloscope, oscilloscope leads
|
S |
| 8.6.4 | Impedance and current-carrying capability | Current source (25 A minimum, 50 or 60 Hz, 6 V maximum)
|
R |
| 8.7 | Leakage currents and patient auxiliary currents | Measuring device according to Figure 12, mains isolation transformers, variacs, voltmeter, millivoltmeter, aluminium foil, diverse circuits (fig. 13-20)
|
R |
| 8.8.3 | Dielectric strength | High voltage tester, isolating transformer for HV-tests (fig. 28), stop watch / timer
|
R |
| 8.8.4.1 a) | Ball pressure test | Test equipment according to IEC 60695-10-2
|
R |
| 8.8.4.2 | Resistance to environmental stress | Apparatus for ageing rubber in oxygen
|
S |
| 8.9 | Creepage distances and air clearances | Oscilloscope, oscilloscope leads, callipers, micrometer, spacing gauges, force gauge (2 N & 30 N), standard test finger (figure 6) | R |
| 8.9.1.7 | Material groups classification | Test equipment according to IEC 60112 | S |
| 8.9.3.4 | Thermal cycling | Heating cabinet | R |
| 8.11.3.5 | Cord anchorage | Force gauge (at least 100 N), torque gauge (at least 0.35 Nm)
|
R |
| 8.11.3.6 | Cord guards | Weights, angle gauge, radius gauge
|
R |
| 9.4 | Instability hazards | 5° & 10° inclined planes or inclinometer or trigonometric calculation, force gauge (at least 220 N), 20 cm by 20 cm test surface, weights, test threshold (10 mm high and 80 mm wide), 7 cm strap, stop watch / timer
|
R |
| 9.5.2 | Cathode ray tubes | The relevant tests of IEC 60065, Clause 18.
|
S |
| 9.6.2.1 | Audible acoustic energy | A-weighted sound pressure level according to ISO 3746, ISO 9614-1 or IEC 61672-1
|
S |
| 9.6.3 | Hand-transmitted vibration | Measurements are made in accordance with ISO 5349-1.
|
S |
| 9.7.5 | Pressure vessels | Hydraulic pressure test apparatus
|
S |
| 9.8 | Hazards associated with support systems | Weights or load cell, 0.1 m2 test surface, stop watch / timer, human body test mass (Figure 33)
|
R |
| 10.1 | X-radiation | Radiation meter
|
S |
| 10.3 | Microwave radiation | Radiation meter
|
S |
| 10.4 | Lasers | Test equipment according to IEC 60825-1 | S |
| 11.1 | Excessive temperatures | Temperature indicator/recorder suitable for this function and
thermocouples, 4 wire resistance unit, test corner, variac
|
R |
| 11.2 | Fire prevention | Spark ignition test apparatus (Figure 34), oxygen gas analyzer
|
S |
| 11.3 | Constructional requirements for fire enclosures | FV tests specified in IEC 60695-11-10 | S |
| 11.6.2 | Overflow | 15° inclined plane or inclinometer or trigonometric calculation, stop watch / timer, high voltage tester
|
R |
| 11.6.3 | Spillage | Flask or graduated cylinder, stop watch / timer
|
R |
| 11.6.5 | Ingress of water or particulate matter | Classification tests of IEC 60529
|
W |
| 11.6.6 | Cleaning and disinfection | Dielectric strength and leakage current tests as appropriate
|
R |
| 11.6.7 | Sterilization | Sterilisation to client specification
|
S |
| 13 | Hazardous situations and fault conditions | stop watch / timer, voltmeter, ammeter, temperature indicator / recorder suitable for this function and thermocouples, 4 wire resistance unit, cheesecloth
|
R |
| 15.3 | Mechanical strength | Force gauge (250 N minimum), circular plane surface 30 mm in diameter, 500 g steel ball, 50 mm thick hardwood board (hardwood > 600 kg/m3), 40 mm step, hardwood doorframe (40 mm2), circulating air oven
|
R |
| 15.4.2 | Temperature and overload control devices | Positive temperature coefficient devices (PTC’s) with IEC 60730-1: 1999, clauses 15, 17, J.15 and J.17
|
S |
| 15.4.3.4 | Primary Lithium batteries | Performance of the tests identified in IEC 60086-4
|
S |
| 15.4.3.4 | Secondary Lithium batteries | Performance of the tests identified in IEC 62133 | S |
| 15.4.6 | Actuating parts of controls | Force gauge (at least 100 N), torque gauge (at least 6 Nm), stop watch / timer
|
R |
| 15.4.7 | Cord-connected hand-held and foot-operated control devices | Force gauge (minimum1 350 N), 30 mm diameter test tool, stop watch / timer
|
R |
| 15.4.7.3 | Entry of liquids | Classification tests of IEC 60529
|
W |
| 15.5.1.1 | Transformers | Winding tester for transformers, temperature indicator/recorder suitable for this function and thermocouples variac, loads
|
R |
| 15.5.2 | Dielectric strength | 5x voltage / 5x frequency dielectric strength test fixture, stop watch / timer
|
R |
| 16.6 | Leakage currents | As in sub-clause 8.7
|
R |
| A 10.4 | Light emitting diodes (LEDs) | As specified in IEC 62471
|
S |
| G | Protection against hazards of ignition of flammable anaesthetic mixtures | 4 mm & 12 mm diameter test rods, timer / stop watch, gasket test B-b of IEC 60068-2-2, force gauge (minimum 100 N), gas pressure meter (0 to 400 Pa range), voltmeter, ammeter, ohmmeter, meter for capacitance and inductance, Vol/oxygen mixture (Vol 12,2 % ± 0,4 %),test apparatus for flammable mixtures (Figure G.7),
|
S |
| G.4.3 | Prevention of electrostatic charges | antistatic material testing according to ISO 2882
|
S |
| L | Insulated winding wires for use without interleaved insulation | Sample is preparation according to IEC 60851-5:1996 & dielectric according to 60601-1; flexibility and adherence test 8 of IEC 60851-3:1996; mandrels of diameters according to Table L.1; heat shock test 9 of IEC 60851-6:1996; 2 mm diameter shot of stainless steel, nickel or nickel plated iron. | S |