ISO16750-4 Clause 4.2 Splash Water Test Chamber Simulating Thermal Shock Testing On Vehicle Caused By Ice Water
ISO16750-4 Clause 4.2 Splash Water Test Chamber Simulating Thermal Shock Testing On Vehicle Caused By Ice Water
ISO16750-4 Clause 4.2 Splash Water Test Chamber Simulating Thermal Shock Testing On Vehicle Caused By Ice Water
ISO16750-4 Clause 4.2 Splash Water Test Chamber Simulating Thermal Shock Testing On Vehicle Caused By Ice Water

ISO16750-4 Clause 4.2 Splash Water Test Chamber Simulating Thermal Shock Testing On Vehicle Caused By Ice Water

ISO16750-4 Splash Water Test Chamber simulates vehicle thermal shock from ice water to validate component seal integrity and reliability.

MOQ: 1

Price: To be quoted

Standard Packaging: safety carton pack or plywood box

Delivery Period: 35 working days

Payment Method: T/T

Supply Capacity: 20 sets per month

Products Categories
Get A Free Quote
Contact Form

Product Description

The product used in the shallow water area of the vehicle simulates thermal shock testing caused by ice water. The purpose is to simulate the splashing of ice water into a heating system or component while driving on a wet road in winter. A failure mode is a temperature expansion coefficient that causes mechanical cracking or seal failure. Another additional failure mode, not covered in 5.3.3, is the reduction in tightness and water intrusion into systems or components.

There are two ways to perform the test (see sections 4.2 and 4.3)

Detail Information

Place of Origin China Brand Name KingPo
Certification iso9001 Ce Model Number KP-1023
Standard: ISO16750-4 Clause 4.2 Cycles: 100
The Holding Time Of The Specified Temperature Tmax Th: 1h Or Until The DUT Temperature Is Stable Conversion Duration: <20s (manual Conversion Between DUT Storage Temperature And Splash Temperature)
Test Liquid: Deionized Water + 3% Pure Arizona Dust Or 5% Sodium Water Temperature: 0~+4°C
Highlight: ozone test chamber, temperature and humidity chamber, ISO16750-4 Clause 4.2 Chamber

Get Free Quote of ISO16750-4 Clause 4.2 Splash Water Test Chamber Simulating Thermal Shock Testing On Vehicle Caused By Ice Water

Test

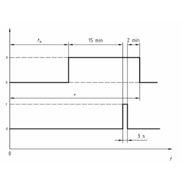
Heat the DUT (device under test) to a certain temperature max) and the specified time (hours) in an oven. Spray the ice water to the DUT for 3 seconds.

If the DUT is only splashed in one direction on the vehicle, it will only spray in the direction of the installation position. If the equipment is splashed in multiple directions on the vehicle, these directions should be stated, and each direction is tested with a new DUT. The width of the splash is always greater than the width of the DUT. If the size of the DUT that accepts splashing water is much larger than the single sprinkler head, multiple nozzles should be arranged to splash water into the DUT in rows.

Technical Parameters

Cycles 100
The holding time of the specified temperature Tmax th 1h or until the DUT temperature is stable
Conversion duration <20s (manual conversion between DUT storage temperature and splash temperature)
Test liquid Deionized water + 3% pure Arizona dust or 5% sodium
Water temperature 0~+4°C
Water flow 3L-4L/3s (jetting process)
Spout to DUT distance 325 ± 25mm (provided water should exceed the width of the DUT)
Working mode (ISO16750-1) See Figure 5
Direction of the DUT Same as loading direction

Detail Display - ISO16750-4 Clause 4.2 Splash Water Test Chamber Simulating Thermal Shock Testing On Vehicle Caused By Ice Water

Related Products

Related News

Scroll to Top

Get A Free Quote Now !

Contact Form
If you have any questions, please do not hesitate to contact us.